| 
						
							
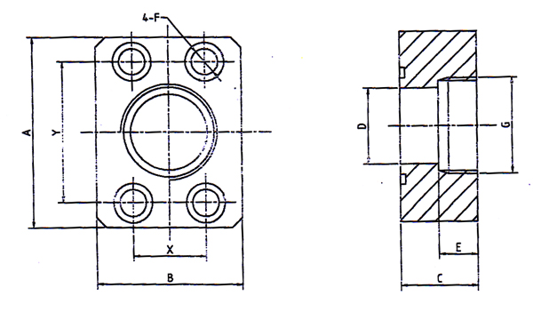
								| 管螺紋連接法蘭 |  
								|  |  
								| D | ф12.5 | ф20 | ф25 | ф30 | ф38 | ф50 | ф64 |  
								| G | G1/2" | G3/4" | G 1" | G 1  1/4" | G 1  1/2" | G 2" | G 2  1/2" |  
								| A | 54 | 65 | 70 | 80 | 94 | 110 | 115 |  
								| B | 46 | 54 | 58 | 68 | 72 | 80 | 100 |  
								| X | 17.5 | 22 | 26 | 30 | 36 | 43 | 51 |  
								| Y | 38 | 48 | 52 | 59 | 70 | 78 | 89 |  
								| C | 25 | 28 | 32 | 36 | 38 | 47 | 50 |  
								| E | 16 | 18 | 20 | 22 | 24 | 26 | 30 |  
								| F | ф9 | ф11 | ф11 | ф11 | ф13 | ф13 | ф13 |  
								| 0型圈 0-ring
 (GB3452.1)
 | 20X2.65 | 28X3.55 | 31.5X3.55 | 40X3.55 | 47.5X3.55 | 58X3.55 | 71X3.55 |  
								| 螺栓Bolt (GB70-85)
 | M8X25 | M10X30 | M10X35 | M10X40 | M12X40 | M12X50 | M12X50 |  |